Modeling
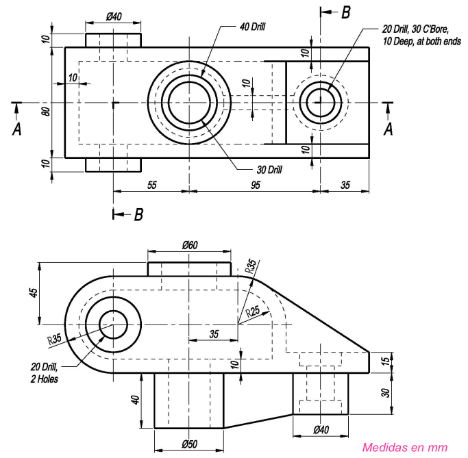
Could someone model this piece and explain to me how to do it? I'm a little new and want to learn about modeling. (The measurements are in millimeters)
Could someone model this piece and explain to me how to do it? I'm a little new and want to learn about modeling. (The measurements are in millimeters)
Is this a complete drawing? The cross-sections A-A and B-B are missing
Front Sketch
Front Body: Symmetrically Extrude Boss, Extrude Body, Extrude Cut inside.
Bottom Sketch
Bottom Body: Extrude Cut holes, Extrude Bosses, Extrude Rib, Chamfer Rib, Extrude Cut C'Bore.
Top Sketch
Top Body: Extrude Cut Hole, Extrude Boss, Extrude Cut C'Bore.
Finished Model.
Model Drawing.
Model Finished.png
Top Extrude.png
Top Sketch.png
Extrude Bottom.png
Bottom Sketch.png
Extrude Body.png
Front Sketch.png
Model Drawing.pdf
Krok po kroku.
Pozdrawiam.
krok17.png
krok16.png
krok15.png
krok14.png
krok13.png
krok12.png
krok11.png
krok10.png
krok9.png
krok8.png
krok7.png
krok6.png
krok5.png
krok4.png
krok3.png
krok2.png
krok1.png