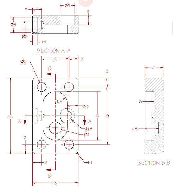
Model Pump Body in FreeCAD
Hello friends welcome to FreeCAD Part Modeling tutorial. In this tutorial we will Model Pump Body in FreeCAD with the help of Dodo Workbench.
-
Step 1:

-
Step 2:

-
Step 3:

-
Step 4:

-
Step 5:

-
Step 6:

-
Step 7:

-
Step 8:

-
Step 9:

-
Step 10:

-
Step 11:

-
Step 12:

-
Step 13:

-
Step 14:

-
Step 15:

-
Step 16:
